導航:回首頁---當前位置---閥門產品內容頁 >> 高靈敏度大流量蒸汽減壓閥_高靈敏度大流量蒸汽減壓閥價格_報價_CAD圖紙 |
|
![]() |
|
高靈敏度大流量蒸汽減壓閥![]() 高靈敏度大流量蒸汽減壓閥 更多信息
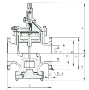
結構特點及用途 本系列減壓閥屬于先導活塞式減壓閥。由主閥和導閥兩部分組成。主閥主要由閥座、閥瓣、活塞、缸套、彈簧等零件組成。本產品在普通減壓閥基礎上作了很大改進,加大了活塞面積,改變了節流結構。改變了密封形式,加大了過流面積等,從而在提高靈敏度、流量、壽命等方面大大改善了性能。 本產品主要用于蒸汽管路,適用于流量大流量變化大,進口壓力變化大的蒸汽管路。 | |


