導航:回首頁---當前位置---水泵產品內容頁補充頁 >> J-X系列柱塞式計量結構說明 |
||||||||||||||||||||||||||||||||||||||||||||||||||||||||||||||||||||||||
![]() |
||||||||||||||||||||||||||||||||||||||||||||||||||||||||||||||||||||||||
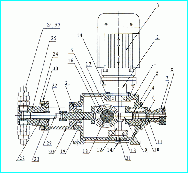
J-X系列柱塞式計量|結構說明J-X系列柱塞式計量結構說明:
J-X系列柱塞式計量結構圖: ![]() 上一頁:J-X系列柱塞式計量泵產品概述
關鍵字:J-X系列柱塞式計量結構說明
[來源:原創]
[作者:水泵專家]
[日期:10-09-09]
[熱度:]
最新文章SBLW全自動無負壓穩流給水設備參數四09.09 SBLW全自動無負壓穩流給水設備參數三09.09 SBLW全自動無負壓穩流給水設備參數二09.09 SBLW全自動無負壓穩流給水設備參數一09.09 SYDL不銹鋼多級離心泵參數一09.09 SYDL不銹鋼多級離心泵參數八09.09 評論 |

